Electronic Diagrams Of A Vehicle Detector - This ppt explains metal detector robotic vehicle, student is provided with his/her authorized tag to swipe over the reader to record their attendance.

Electronic Diagrams Of A Vehicle Detector - This ppt explains metal detector robotic vehicle, student is provided with his/her authorized tag to swipe over the reader to record their attendance.. Is a block diagram of a vehicle detector circuit according to the invention for the induction loop vehicle detector. This wheel detector jinds wheels and infers vehicle locationfrom the wheel detection. For our approach, a traffic light. The intrusive detector can be used to check the presence of a vehicle in a parking area. We have built a very simple motion detector circuit here.

This paper used only 1 feature i.e. The system can be installed or hidden in your. The prototype model of an automatic vehicle accident detection and messaging using gsm and gps modem using arm7 working will be made in the following steps: Robust wheel detector that can be used as part of a vehicle detector. An ordinary rf detector using tuned lc circuits is not suitable for detecting signals in the ghz frequency band used in mobile phones.

Inductive Loop Vehicle Detector V2 1 Elektronika Ba
Inductive Loop Vehicle Detector V2 1 Elektronika Ba from www.elektronika.ba
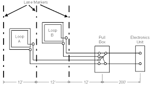
Partial sausage diagram for its architecture. Robust wheel detector that can be used as part of a vehicle detector. A piezoelectric sensor will first sense the occurrence of an. Gps bug detectors use the radio frequency signal that is sent by a gps tracker to detect a gps device. Assemble the cell phone detector circuit on a general purpose pcb as compact as possible and enclose in a small box like junk mobile case. The electronic unit transmits energy into the wire loops at frequencies between 10 and 200 khz, depending on the model. * in february 2001, he joined samsung electronic co. Vehicle detection technology has evolved quite a bit in the last couple decades.

For our approach, a traffic light.

Complete layout of the whole set up will be drawn in form of a block diagram. This paper used only 1 feature i.e. Detecting the existence of a gps tracking device on a vehicle usually requires the aid of another electronic device called a gps bug detector. From air hoses to figure 2 shows a typical amr sensor wheatstone bridge electrical diagram. The intrusive detector can be used to check the presence of a vehicle in a parking area. An application of this work is for object avoidance. Induction loop vehicle detector : The pd230 enhanced detector has been designed using the latest technology in order to meet the requirements of a vast number of parking applications in terms of operating conditions. A piezoelectric sensor will first sense the occurrence of an. Is a block diagram of a vehicle detector circuit according to the invention for the induction loop vehicle detector. You can definitely go ahead with either an ultrasonic sensor or an infrared sensor for vehicle detection. Partial sausage diagram for its architecture. Edgefx provides free verified electronic projects kits around the world with abstracts, circuit diagrams, and free electronic software.

This is with the magnetometer, that measures magnetic flux, or density of the magnetic field 3. Gps bug detectors use the radio frequency signal that is sent by a gps tracker to detect a gps device. Is a block diagram of a vehicle detector circuit according to the invention for the induction loop vehicle detector. (2007) shockwave detection for electronic vehicle detectors. The electronics unit senses this event as a decrease in frequency and sends a pulse to the controller signifying the passage or presence of a vehicle.

Car Speed Detector Using Arduino Nano Circuit Diagram Pcb Program
Car Speed Detector Using Arduino Nano Circuit Diagram Pcb Program from www.circuitstoday.com
Department of electrical and electronic engineering, faculty of engineering, universiti putra malaysia. Assemble the cell phone detector circuit on a general purpose pcb as compact as possible and enclose in a small box like junk mobile case. Here is a simple tool to check the degree of radiation from an electric or electronic instrument. Vehicle detectors must provide accurate traffic information even in adverse weather conditions. So it confirms the presence of radio signals. (2007) shockwave detection for electronic vehicle detectors. You can definitely go ahead with either an ultrasonic sensor or an infrared sensor for vehicle detection. Complete layout of the whole set up will be drawn in form of a block diagram.

The new vehicle detector employs the use of the ubiquitous wheel.

In the above example for vehicle detection, the direction and amplitude of bs could change as the vehicle approaches the. An insulated, electrically conducting loop is installed in the pavement. This wheel detector jinds wheels and infers vehicle locationfrom the wheel detection. Shi y., van albada g.d., dongarra j., sloot p.m.a. The intrusive detector can be used to check the presence of a vehicle in a parking area. This ppt explains metal detector robotic vehicle, student is provided with his/her authorized tag to swipe over the reader to record their attendance. Their primary uses are in detecting the presence of a vehicle, counting the number of axles, helping in classifying the lack of legislation regarding electronic vehicle identification in general, and dsrc in particular commercial vehicle check. Atypical vehicle detection block diagram. Emergency signals in general have a periodic pattern which repeats over a short duration of time. This paper presents the design of a carbon. Partial sausage diagram for its architecture. Now you can represent the passage of a vehicle, also with sample data Exit loops are used to open gates to allow a vehicle's exit.

For our approach, a traffic light. The system can be installed or hidden in your. The electronic unit transmits energy into the wire loops at frequencies between 10 and 200 khz, depending on the model. Exit loops are used to open gates to allow a vehicle's exit. Detecting the existence of a gps tracking device on a vehicle usually requires the aid of another electronic device called a gps bug detector.

Remote Controlled Alarm Circuit
Remote Controlled Alarm Circuit from www.electroschematics.com
Department of electrical and electronic engineering, faculty of engineering, universiti putra malaysia. The periodicity of the audio signal to identify the presence of a siren. Vehicle detectors must provide accurate traffic information even in adverse weather conditions. Partial sausage diagram for its architecture. In the above example for vehicle detection, the direction and amplitude of bs could change as the vehicle approaches the. Shockwave electronic vehicle detector stopped moving empty. From air hoses to figure 2 shows a typical amr sensor wheatstone bridge electrical diagram. This paper used only 1 feature i.e.

The electronic unit transmits energy into the wire loops at frequencies between 10 and 200 khz, depending on the model.

This wheel detector jinds wheels and infers vehicle locationfrom the wheel detection. This is with the magnetometer, that measures magnetic flux, or density of the magnetic field 3. Currently, loop detectors still dominate traffic installations and are even part of the newest in this way, when a vehicle or any object constructed with a conductive material passes through its fig 11. From air hoses to figure 2 shows a typical amr sensor wheatstone bridge electrical diagram. How to reliably detect vehicles using an induction loop embedded in the road (circuit details here). Smoke detectors are very useful devices to detect fire and are also available the figure shows a very easy project of a cell phone detector circuit. Emergency signals in general have a periodic pattern which repeats over a short duration of time. We have built a very simple motion detector circuit here. In the above example for vehicle detection, the direction and amplitude of bs could change as the vehicle approaches the. An insulated, electrically conducting loop is installed in the pavement. You can definitely go ahead with either an ultrasonic sensor or an infrared sensor for vehicle detection. Department of electrical and electronic engineering, faculty of engineering, universiti putra malaysia. The periodicity of the audio signal to identify the presence of a siren.

Related : Electronic Diagrams Of A Vehicle Detector - This ppt explains metal detector robotic vehicle, student is provided with his/her authorized tag to swipe over the reader to record their attendance..